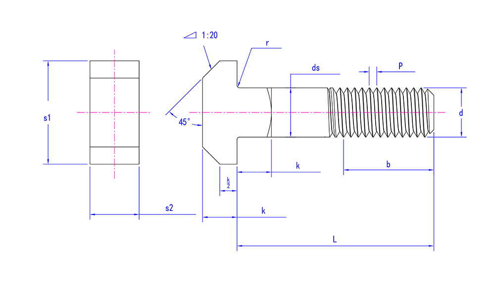
DIN186 Paslanmaz Çelik T Başlı Cıvatalar, Kare Boyunlu Cıvatalar
| Kafa Özellikleri | T tipi kafa, dönme önleyici kare boyun |
| Çubuk Özellikleri | Çift dönme önleme |
| Temel Amaç | Dönmeyi önler, stabiliteyi artırır |
| Avantajları ve Özellikleri | Kare boyunlu tasarım, ağır hizmet tipi sabitlemelere uygun, cıvatanın dönmesini önler |
| Tipik Kullanımlar | Büyük ekipman, ağır makine gibi dönmeyi, yüksek yük bağlantılarını önleyin. |
| Seçim İçin Temel Göstergeler | T-kafa şekli, kare boyun boyutu, cıvata uzunluğu, çap, diş uzunluğu, malzeme. |
| Sektöre Özel Gereksinimler | Ağır makineler: Yüksek yüklü ve cıvata dönüşünün engellenmesi gereken ekipmanlar için uygundur. Otomotiv endüstrisi: Cıvataların dönmesini engelleyen yüksek mukavemetli bağlantılar için kullanılır. |

















